Address
Subotički put b.b. 25000, Sombor
Popravka brava i izrada ključeva

Najveći deo života, najlepše i najprijatnije časove provodimo između zidova svoga stana. Kako nije uvek moguće unapred odabrati lokaciju, dimenzije i okolinu stana, moramo se prilagoditi datim okolnostima. Ovo »prilagođavanje« često zahteva dosta umešnosti, dosetljivosti i majstorisanja, da bi npr. od neke veće sobe formirali više manjih prostorija, ili da bi napravili kutak za učenje za mlađe članove naše porodice. Ali se još češće javljaju takvi svagdašnji i manje atraktivni, a ipak važni poslovi kakvi su npr. popravka poda ili zamena stakla u prozoru koje je loptom razbijeno.
Oštećenja i njihova popravka
Pogledajmo prvo manja i jednostavnija oštećenja, čije se popravke s pravom očekuju i od manje iskusnih »majstora u kući.« Kako su ovi poslovi vrlo različiti i razgraniti, redosled razmatranja nećemo odrediti prema srodnostima, nego prema komplikovanosti ovih poslova polazeći od jednostavnijih.
Popravka brava
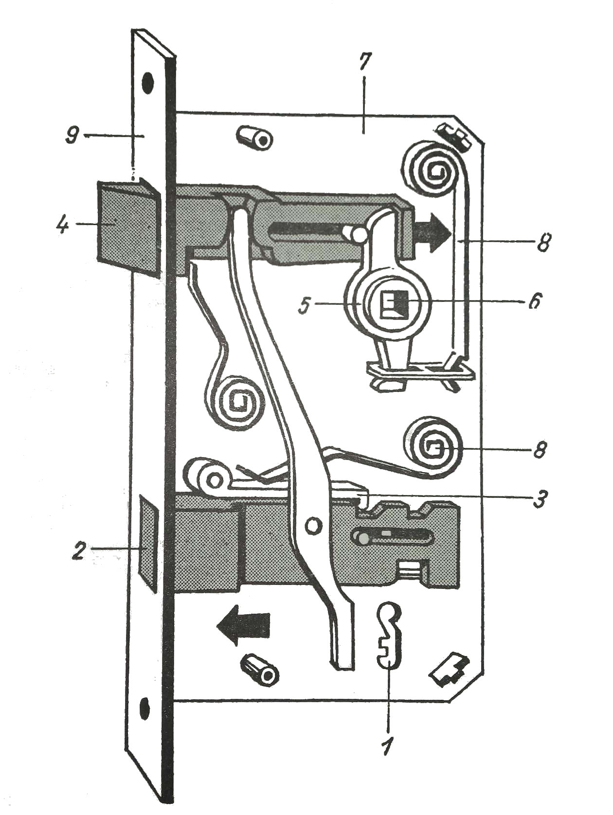
Najčešće varijante brava, onih koje se mogu dobiti u trgovini i onih koje su već montirane su: prikivajuće brave, poluupuštene i upuštene brave. Na vrata stanova obično se postavljaju upuštene brave.
Delovi upuštenih brava su: 1. otvor ključa, 2. jezičak brave, 3. zakačka, 4. jezičak kvake, 5. cilindrična čahura, 6. mesto kvake, 7. kućište brave, 8. opruge i klinovi 9. završni rub, kao i zavrtnji za pritezanje, a u sigurnosnim bravama menjač (sl. 1).

SLIKA 1
Da bismo bravu popravili, moramo je raskIopiti. Prvo treba izvaditi zavrtnje za pritezanje, zatim prstima pritisnuti čahuru i na kraju pomoću odvrtača skinuti gornji lim kućišta brave. Oprugu treba pažljivo izvaditi, jer prilikom iskakanja može da nas ozledi. Najčešći kvar nastaje kad je otvor cilindrične čahure istrošen, krak kvake klimav ili se okreće i vrata se teško otvaraju ili uopšte ne otvaraju. Da bismo kvar otklonili, otvor kvake moramo isturpijati (četvorouglasto), čime postaje veći, pa zatim krak obmotati tankim limom. Ako je proširenje otvora manje, onda krak kvake možemo proširiti dletom i tako otkloniti klimanje. Posle višegodišnje upotrebe krak čahure, koji pokreće jezičak kvake, istroši se tako da postane oštar i jednostavno proklizi pored jezička pa se vrata ne mogu otvarati. Popravka se može izvršiti ako krak oturpijamo toliko da ostane ivica od 1,5 do 2 mm. Tada će krak otvarati jezičak pa će, eventualno, biti potrebno kvaku samo više pritisnuti. Vrlo često kvar je pucanje opruge. Popravka je vrlo jednostavna. U trgovini treba kupiti novu oprugu i zameniti staru. Usled čestog otvaranja vrata istroše se sa obe strane lima kućišta brave u dodiru sa čahurom. I ovo se može popraviti. Udarcima čekića treba istegnuti lim i smanjiti otvor, a posle toga okruglom turpijom doterati ga tako da odgovara dimenziji čahure. Slična je popravka i onda kad se lim kućišta istroši od ključa.
Ako se istroši zakačka, onda se ne podiže ključem na odgovarajući način i jezičak brave se ne pomera. I u ovom slučaju pomaže čekić i turpija. Čekićem treba malo istegnuti istrošeni deo jezička brave i turpijom doterati. Brava je onda dobra ako je podignemo ključem (kontrolisati u otvorenom položaju!), a deo zakačke, koja je savijena pod pravim uglom, se nalazi oko 1 mm iznad jezička brave.
Prilikom sleganja ili potrebnog podizanja vrata, jezičak kvake i brave neće se poklapati sa odgovarajućim otvorima na završnom limu koji se nalazi na okviru vrata. Za popravku nije potrebno demontirati ni bravu, ni lim. Dovoljno je da proširimo otvore na limu gore, dole ili sa strane turpijom pa će se posle toga vrata moći zatvarati.
Nabrojani kvarovi brave se lako mogu popraviti bez stručnjaka. Pre sastavljanja brave – ali i onda kad ne vršimo popravku, bar jednom godišnje obrtne i klizne površine brave treba dobro podmazati uljem bez kiseline da bi lako i bešumno funkcionisala. Sastavljanje brave treba vršiti isto tako brižljivo. Moramo sastaviti sve delove i na kraju čahuru i oprugu. Posle sastavljanja treba palcem pritisnuti čahuru, postaviti poklopac kućišta brave i preko otvora poklopca pritiskajući čahuru, postaviti na svoje mesto lim. Na ovaj način opruga ne može iskočiti.
Obično se kaže: »Pasuje kao ključ u bravi!« Ali ima i takvih ključeva koji nisu poslušni i koji zapinju, a čest je slučaj da se ključ izgubi. Ako je krak ključa sa otvorom, onda se koristi za brave koje se otvaraju samo sa jedne strane. Pero ključa – čija je visina obično dvostruko veća od prečnika ključa širokog 6-8 mm, izrađuje se tako da odgovara obliku brave. Ako je ključ izgubljen, treba kupiti u trgovini sirovi ključ i njegovo pero isturpijati, tako da odgovara obliku brave. Kao šablon možemo koristiti otisak drugog ključa u sapunu ili kitu. Otisak se pravi u pravcu kraka krljuča do jedne četvrtine pera i ovaj negativ treba da koristi za kontrolu oblika ključa.
Izrada ključa
Prva operacija kod izrade ključa treba da bude merenje prečnika kraka sirovog ključa i njegovo turpijanje (pritezanjem u mengele) na istu dimenziju kao i uzorak. Nepotreban materijal odstranjuje se tako da se prilikom tuprijanja opisuju zamišljene okomite osmice (njihajuće turpijanje). Da bi krak ključa mogli turpijati i pored pera, u glavu ključa treba postaviti neki veći vrh drške turpije ili odvrtke i to pritegnuti u mengele. Na ovaj način moći ćemo i debljinu pera obraditi na potrebnu dimenziju. Posle pritezanja ključa u mengele, moći ćemo obraditi i širinu i visinu pera (sl. 2)

SLIKA 2
Obeležavanje i turpijanje žlebova pera treba raditi sa najvećom tačnošću. Oni koji imaju za to osećaj, obeležavanje mogu izvršiti i neposredno sa uzorka koji se postavlja pored pera ključa pritegnutog u mengele. Oni koji to пе mogu uraditi neposredno, obeležavanje mogu izvršiti šublerom: Pre obeležavanja, pero ključa treba obeležlti kredom i pomoću igle obeležiti dimenzije žlebova koje odgovaraju lamelama brave. Ureze, koji se nalaze na kraku, takođe treba preneti na novi ključ.
Žlebove za lamele treba prvo testerom urezati i potorn pljosnatom igličastom turpijom proširiti na dimenziju koja odgovara originalnom ključu. Da bi se lamele mogle nesmetano kretati u žlebovima, dno žlebova treba zaobliti. Žlebovi koji se nalaze u peru u pravcu kraka ključa, u zavisnosti od oblika formiraju se okruglom, pljosnatom ili četvorouglastom turpijom. Gornje ivice pera novog ključa takođe treba zaobliti. Istrošenim šmirgl papirom na kraju odstraniti tragove turpije.
Gotov ključ treba postaviti u bravu i pokušati oprezno okrenuti. Ako zapinje, ili se uopšte ne može okrenuti, treba ga izvaditi i načaditi pero plamenom šibice ili sveće. Ključ ponovo gurnuti u bravu i mesta koja su usled plamena očišćena oturpijati, jer ona sprečavaju lako obrtanje ključa. Ključ, odn. pero, dotle treba podešavati dok ne počne da okreće i pomera lako i nesmetano jezičak brave.
Kod izrade ključeva sa dva pera sa naročitom pažnjom treba oblikovati oba pera. Ona su obično obrnute slike u ogledalu, prema tome treba ih turpijati tačno na iste dimenzije. Ako dva pera nisu jednaka, ključ neće otvarati bravu. Prvo treba, uvek, krak oturpijati na potrebnu dimenziju i potom oblikovati visine pera. Kod konačnog podešavanja treba brižljivo kontrolisati dimenzije oba pera, odstojanja od kraka i međusobna odstojanja.
Izrada ključeva za cilindar-brave samo naizgled nije komplikovana, ali ustvari je mnogo teži zadatak nego što su izrade do sada opisanih ključeva. Ove ključeve možemo izraditi samo na osnovu originala.
Uzorak i sirovi ključ treba postaviti jedan na drugi tako da uzdužni žlebovi budu jedan ispred drugog i da se tačno poklapaju. Oba ključa pritegnimo u mengele i kontrolišimo pokrivanje žlebova. Ako su pomereni, treba popustiti mengele i ponovo podesiti ključeve.
Prvo treba isturpijati najdublji žleb u novi ključ, pazeći pri tom na to da original ostane netaknut. Zatim treba oblikovati i manje »zupce« na novom ključu. Ovako ozubljeni novi ključ treba zatim postepeno podesltl obliku brave. Očađenje ključa i ovde će olaksati posao.
Ako je ključ gotov – ako već dobro otvara bravu – treba ga oprati benzinom i četkom dа bismo odstranili čađ i strugotinu.
Pera sigurnosnih brava (npr. za pisaće stolove) su sa prednje strane ravna, a sa bočne stepenasta. Što je više stepenica s tim je veći broj varijacija zatvaranja, i brava je sigurnija. Pero sa tri stepenice, na primer, ima šest varijacija, sa šest stepenica 720, a sa osam stepenica 40320 varijacija.
I obična brava se može prepraviti tako da bude sigurnosna. Prvo je treba rastaviti i u nekoj tački obrtne ravni ključa izbušiti otvor od 2mm. Sa nekog eksera prečnika 3 mm treba odseći komadić dužine 5 mm. Jedan kraj ovog komadića oturpijati na prečnik od 2 mm. na dužini od 3 mm. Postavimo sada ključ na svoje mesto i na peru obeležimo mesto dodira sa ovom zakovanom osovinicom. Na mestu gde smo pero obeležili treba isturpijati jedan žleb širine 3 mm i dubine 2 mm. Na ovaj način brava će postati originalna. Naravno, menjanjem položaja komadića eksera i njegovih dimenzija mogu se dobiti različite varijacije.
Prilikom kupovine brave naizgled je beznačajan, ali u stvari vrlo važan činilac to da li su vrata ili prozori levi ili desni. Ovo možemo odrediti tako da se postavimo nasuprot pravcu otvaranja vrata (sl. 3, gornji deo)
Najveću sigurnost pružaju tzv. Yale (Jel) cilindar brave (imaju cilindričan oblik). Pažnja! Prema stručnoj terminologiji sigurnosti, samo su ove i tzv. Wertheim (Verthajm) brave (imaju ključ sa dva pera) sigurnosne. Ako u stanu nemamo ovakve sigurnosne brave, za slučaj provalne krađe sa otvaranjem brave, malo je nade da ćemo dobiti odštetu (sl. 3, srednji deo) U cilindru Yale brava okreće se jedan unutrašnji manji cilindar i to samo onda ako ključ koji odgovara bravi pomeri zakačke oba cilindra u željeni položaj. Brave tipa Yale vrše u stvari pretzatvaranje odn. mogu se i posebno montirati za bilo koju bravu.

SLIKA 3
Brave će funkcionisati besprekorno samo onda ako se vrata i prozori dobro zatvaraju. Osnovni uslov za dobro zatvaranje vrata i prozora je da su šarke, koje pridržavaju mehanizme za zatvaranje, ispravne i dobro održavane.
Jednostavnije šarke treba pričvrstiti samo ekserima, a bolje upuštati ili ukucati u okvir. Prilikom zamene šarki često moramo primeniti podmetače (kada je materijal nove šarke tanji) ili šarku upustltl (ako je deblja).
Za podmetač možemo koristiti pločicu od furnira koja ima isti oblik kao i upušteni deo i debljinu jednaku razlici debljina materijala dveju šarki. (sl. 3, donji deo)
Šarki ima veoma mnogo vrsta. Njihovi nazivi nisu u vezi sa njihovom sadašnjom upotrebom. Zbog toga je bolje, umesto pamćenja tih naziva lično izabrati one koji odgovaraju našoj potrebi.
Važno je imati u vidu dimenzije, materijal, pravac otvaranja, veličinu otvora i nivoa okvira vrata.

